|
พื้นที่ Side Bar
สามารถแก้ไขได้ที่ระบบ Admin
|
|
3-PCS SANITARY C-CLAMP END BALL VALVE

3-PCS. SANITARY C-CLAMP END BALL VALVE
RANGE OF SIZE 1/4" TO 4" FULL PORT 1000 PSI CONSTRUCTION INVESTMENT CASTING MATERIAL SS316/SS304 MOUNTING PAD
With ISO Mount Plate
- Locking device can be required.
- 100% air tested under water at 100psi, open and closed positions.
- Hydrostatic test pressure 1/4"~2" 1,500psi, 2 1/2"~4" 1,200psi.
- Standard End: Weld & Clamp-End:
- Other SMS. DIN. RJT. IDF
- Male/Male can be required
-4.gif)


Sanitary-ball Valve For Food And Chemical Use With ISO Mount Plate
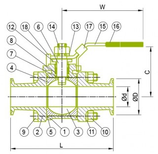
| ITEM |
PARTS |
MATERIAL |
| 1 |
BODY |
ASTM-A351-CF8M |
| 2 |
CAP |
ASTM-A351-CF8M |
| 3 |
BALL |
A351-CF8M |
| 4 |
SEAT |
PTFE |
| 5 |
GASKET |
PTFE |
| 6 |
STEM |
ANSI-316 |
| 7 |
THRUSTWASHER |
PTFE |
| 8 |
STEM PACKING |
PTFE |
| 9 |
BOLT |
ANSI-304 |
| 10 |
HEX NUT |
ANSI-304 |
| 11 |
BOLT WASHER |
ANSI-304 |
| 12 |
GLAND |
ANSI-304 |
| 13 |
WASHER |
ANSI-304 |
| 14 |
NUT |
ANSI-304 |
| 15 |
HANDLE |
ANSI-304 |
| 16 |
PLASTIC COVER |
PLASTIC |
| 17 |
LOCK DEVICE |
ANSI-304 |
| 18 |
STOP PIN |
ANSI-304 |

Specification
| Size |
DN
mm |
ISO-5211
mm |
C
mm |
L
mm |
W
mm |
Ød
mm |
ØD
mm |
R
mm |
L1
mm |
| 1/2" |
15 |
F03 |
60 |
89 |
132 |
9.5 |
25.4 |
5 |
32.75 |
| 3/4" |
20 |
F03 |
64.5 |
101 |
131.5 |
15.8 |
25.4 |
5 |
36.5 |
| 1" |
25 |
F04 |
69.2 |
114 |
165 |
22.2 |
50.4 |
6.5 |
40 |
| 1-1/2" |
40 |
F05 |
89.26 |
140 |
194.3 |
35 |
50.4 |
8.5 |
43.5 |
| 2" |
50 |
F05 |
97.26 |
156 |
194.3 |
47.6 |
63.9 |
8.5 |
45.75 |
| 2-1/2" |
65 |
F07 |
126.8 |
197 |
252 |
60.3 |
77.5 |
12 |
56 |
| 3" |
80 |
F07 |
135.3 |
229 |
252 |
73 |
90.9 |
12 |
64.5 |
| 4" |
100 |
F10 |
158.8 |
242.7 |
332 |
97.4 |
118.9 |
16 |
60.6 |
|