|
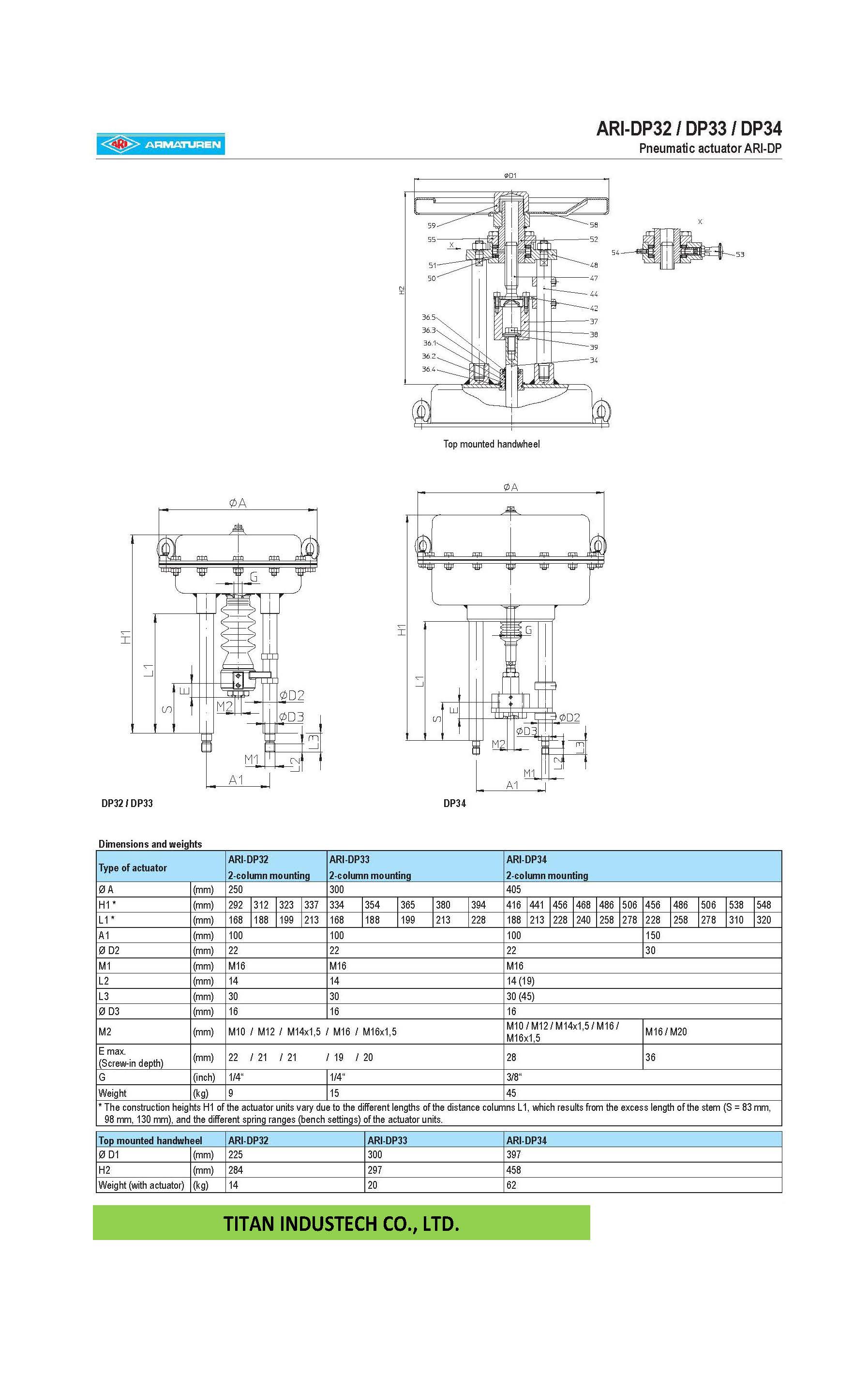
2-Way Control Valve With DP32 Pneumatic Actuator
![]() ![]() ![]() ![]() ![]() ![]() ![]() ![]() ![]() |
|
|
บริษัท ไททั้นอินดัสเทค จำกัด
ที่อยู่ 88/13-14 หมู่ 7 ตำบล สวนหลวง อำเภอ กระทุ่มแบน จังหวัด สมุทรสาคร 74110 โทร : 0-2811-0055 (AUTO), แฟ็กซ์ : 0-2811-0477 เว็บไซต์ : www.titanindustech.com, อีเมล์ : sales1_titanindustech@hotmail.co.th
Hotline : 080-591-0055
|
||









